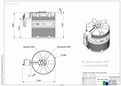
Характеристики
Объем, л — 2000
Длина, мм — 1929
Ширина, мм — 1380
Высота, мм — 1550
Транспортный объем, м³ — 4,13
Диаметр горловины, мм — 300
Вес, кг — 73
Температура эксплуатации, °C — -20°C до +60°C
Материал — Полиэтилен
Напряжение, В — 220
Производительность, л/мин — 56
Длина шланга, м — 4
Характеристики
Объем, л — 2000
Длина, мм — 1929
Ширина, мм — 1380
Высота, мм — 1550
Транспортный объем, м³ — 4,13
Диаметр горловины, мм — 300
Вес, кг — 73
Температура эксплуатации, °C — -20°C до +60°C
Материал — Полиэтилен
Напряжение, В — 220
Производительность, л/мин — 56
Длина шланга, м — 4
-
Описание
Мини АЗС V 2000 производства «Полимер Групп» комплектуется заправочным модулем с комплектом крепления и емкостью V 2000 объемом 2000 литров. Емкость обладает улучшенными эксплуатационными характеристиками благодаря специально разработанным ребрам жесткости.
Наши мини АЗС – оптимальный вариант для обеспечения постоянного запаса и удобной раздачи дизельного топлива. Особенно это касается предприятий, выполняющих работы на значительном расстоянии от трасс.
Предлагаемые готовые решения на базе пластиковых емкостей для топлива значительно сокращают финансовые и временные затраты на поездки к стационарным АЗС, вовремя снабжая ваш автотранспорт дизтопливом.
Комплектация:
- корпус емкости с крышкой;
- заправочный модуль;
- комплект крепления заправочного модуля;
- раздаточный пистолет;
- донный фильтр грубой очистки с обратным клапаном;
- паспорт изделия мини АЗС.
В характеристиках указан вес для мини АЗС с заправочным модулем PIUSI.
-
Документы
Паспорт мини АЗС-Polimer_Group.pdf1.7 Мб, 28 января в 10:35Oтказное письмо по пожарной безопасности емкости.pdf264.3 кб, 28 января в 10:35Сертификат на емкости для топлива-Polimer_Group.pdf2.7 Мб, 28 января в 10:36Инструкция по эксплуатации ТРС-ACFD-60-_Kitay_.pdf617.5 кб, 28 января в 10:36Инструкция по эксплуатации ТРК-BelAK.pdf2.4 Мб, 28 января в 10:36Инструкция по эксплуатации ТРУ-JYB60-_220V_.pdf342.8 кб, 28 января в 10:36 -
Комментарии 0
Добавить комментарий
Мини АЗС V 2000 производства «Полимер Групп» комплектуется заправочным модулем с комплектом крепления и емкостью V 2000 объемом 2000 литров. Емкость обладает улучшенными эксплуатационными характеристиками благодаря специально разработанным ребрам жесткости.
Наши мини АЗС – оптимальный вариант для обеспечения постоянного запаса и удобной раздачи дизельного топлива. Особенно это касается предприятий, выполняющих работы на значительном расстоянии от трасс.
Предлагаемые готовые решения на базе пластиковых емкостей для топлива значительно сокращают финансовые и временные затраты на поездки к стационарным АЗС, вовремя снабжая ваш автотранспорт дизтопливом.
Комплектация:
- корпус емкости с крышкой;
- заправочный модуль;
- комплект крепления заправочного модуля;
- раздаточный пистолет;
- донный фильтр грубой очистки с обратным клапаном;
- паспорт изделия мини АЗС.
В характеристиках указан вес для мини АЗС с заправочным модулем PIUSI.